Web Analytics Made Easy - Statcounter
2007 Ford Upfitter Switches Wiring: Master Your Truck’s Auxiliary Controls Ford super duty upfitter switch wiring

2007 Ford Upfitter Switches Wiring: Master Your Truck’s Auxiliary Controls Ford super duty upfitter switch wiring

Ford transit upfitter auxiliary switches

If you are searching about Ford Super Duty Upfitter Switch Wiring you've visit to the right page. We have 25 Images about Ford Super Duty Upfitter Switch Wiring like 2007 Ford Upfitter Switches Wiring Diagram - Sleekium, 2007 Ford Upfitter Switches Wiring Diagram - Sleekium and also Ford upfitter switches wiring diagram. Here it is:

Ford Super Duty Upfitter Switch Wiring

Ford Super Duty Upfitter Switch Wiring enginerileynundines.z14.web.core.windows.net

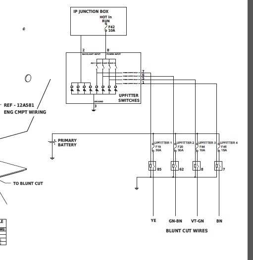
Ford Upfitter Switches Wiring Diagram

Ford upfitter switches wiring diagram resolutionsforyou.com

Ford Super Duty Upfitter Switch Wiring

Ford Super Duty Upfitter Switch Wiring enginerileynundines.z14.web.core.windows.net

2007 Ford Upfitter Switches Wiring Diagram - Sleekium

2007 Ford Upfitter Switches Wiring Diagram - Sleekium sleekium.blogspot.com

Ford Transit Upfitter Auxiliary Switches - FarOutRide

Ford Transit Upfitter Auxiliary Switches - FarOutRide faroutride.com

ford switches upfitter auxiliary transit switch wiring diagram faroutride database

Ford Transit Auxiliary Upfitter Switches | Wiring Guide - FarOutRide

Ford Transit Auxiliary Upfitter Switches | Wiring Guide - FarOutRide faroutride.com

How To Properly Wire Ford Upfitter Switches

How to properly wire Ford upfitter switches circuitblaze.com

Wiring Guide: Installing Auxiliary Switches In Your Ford F250

Wiring Guide: Installing Auxiliary Switches in Your Ford F250 axiom-northwest.com

2024 F350 Upfitter Switch Wiring How To Wire Aux Switch F250

2024 F350 Upfitter Switch Wiring How To Wire Aux Switch F250 palsemeiljuser.z14.web.core.windows.net

Ford Upfitter Switch Wiring: Q&A And Diagrams | JustAnswer

Ford Upfitter Switch Wiring: Q&A and Diagrams | JustAnswer www.justanswer.com

ford upfitter switch duty super 2011 relay connect dc ac power lead fx4 can moose technician aka chris justanswer

2007 Ford Upfitter Switches Wiring Diagram - Sleekium

2007 Ford Upfitter Switches Wiring Diagram - Sleekium sleekium.blogspot.com

Ford Upfitter Switches Wiring Diagram

Ford upfitter switches wiring diagram resolutionsforyou.com

2007 Ford Upfitter Switches Wiring Diagram - Sleekium

2007 Ford Upfitter Switches Wiring Diagram - Sleekium sleekium.blogspot.com

How To Wire To Ford Upfitter Switches

How To Wire To Ford Upfitter Switches enginerileynundines.z14.web.core.windows.net

2024 F350 Upfitter Switch Wiring How To Wire Aux Switch F250

2024 F350 Upfitter Switch Wiring How To Wire Aux Switch F250 palsemeiljuser.z14.web.core.windows.net

Ford Upfitter Switches Wiring Diagram Collection

Ford Upfitter Switches Wiring Diagram Collection www.got2bwireless.com

The Ultimate Guide To Super Duty Upfitter Switch Wiring: Everything You

The Ultimate Guide to Super Duty Upfitter Switch Wiring: Everything You techdiagrammer.com

How To Wire Ford Upfitter Switches

How To Wire Ford Upfitter Switches userdiagramenrique.z19.web.core.windows.net

Wiring Upfitter Switches For Ford F250: A Complete Guide

Wiring Upfitter Switches for Ford F250: A Complete Guide electraschematics.com

Efficient Wiring Harness For Ford Upfitter Switches

Efficient Wiring Harness for Ford Upfitter Switches wireblueprint.com

How To Properly Wire Ford Upfitter Switches

How to properly wire Ford upfitter switches circuitblaze.com

2007 Ford Upfitter Switches Wiring Diagram - Sleekium

2007 Ford Upfitter Switches Wiring Diagram - Sleekium sleekium.blogspot.com

Guide To Wiring Upfitter Switches On Your Ford Raptor

Guide to Wiring Upfitter Switches on Your Ford Raptor schempro.com

Auxiliary Dash Upfitter Switch Kit For -Ford F250 F350, 42% OFF

Auxiliary Dash Upfitter Switch Kit For -Ford F250 F350, 42% OFF www.pinnaxis.com

How To Wire Upfitter Switches Car Audio Tips Tricks And How

How To Wire Upfitter Switches Car Audio Tips Tricks And How zubata4bymanual.z21.web.core.windows.net

2007 ford upfitter switches wiring diagram. How to wire to ford upfitter switches. The ultimate guide to super duty upfitter switch wiring: everything you